* Understanding basic operations for computer arithmetic
* Understanding signal processing techniques for VLSI architectures
◆ DSP system, Iteration bound
◆ Pipelining and parallel processing
◆ Retiming and unfolding technique
◆ Folding technique
◆ Conventional and unconventional number systems, Fast addition
◆ Binary floating-point number system
◆ Sequential algorithms for multiplication and division
◆ High-speed multiplication
◆ Fast division
◆ DSP system, Iteration bound
- Clock period = critical path period = cycle time = 1/clock rate
- Sample rate = throughput rate
- iteration bound[T∞] = maximum loop bound, fundamental limit on sample period
- critical path란, delay가 없는 조건에서 max. computation time
- critical path 가 sample period 최소 값이 되므로 delay(pipe register)를 달아서 critical path 값을 줄여야 DSP system의 time cost를 줄일 수 있음.
- clock period ≥ iteration bound. (iteration bound를 줄이기 위해서 retiming을 함)
- 결과적으로, critical path를 줄이기 위해 적절한 위치에 delay를 넣고(pipelining), iteration bound를 줄이기 위해 retiming을 진행함. (pipelining이란, cutset을 통해 delay를 추가하여 critical path를 줄임)
(unfolding의 경우에는 J x T∞)
sample period = unfolded iteration bound / J
sample period = (1 / M*L) * clock period (*M: pipeline stage, L: parallel stage)
iteration bound[T∞]를 계산하는 알고리즘
* LPM(Longest Path Matrix); delay를 기준으로 path를 잡음.
* MCM(Minimum Cycle Mean); edge weight를 계산해서 node가 각 delay가 되고 delay간 computation time을 계산함.
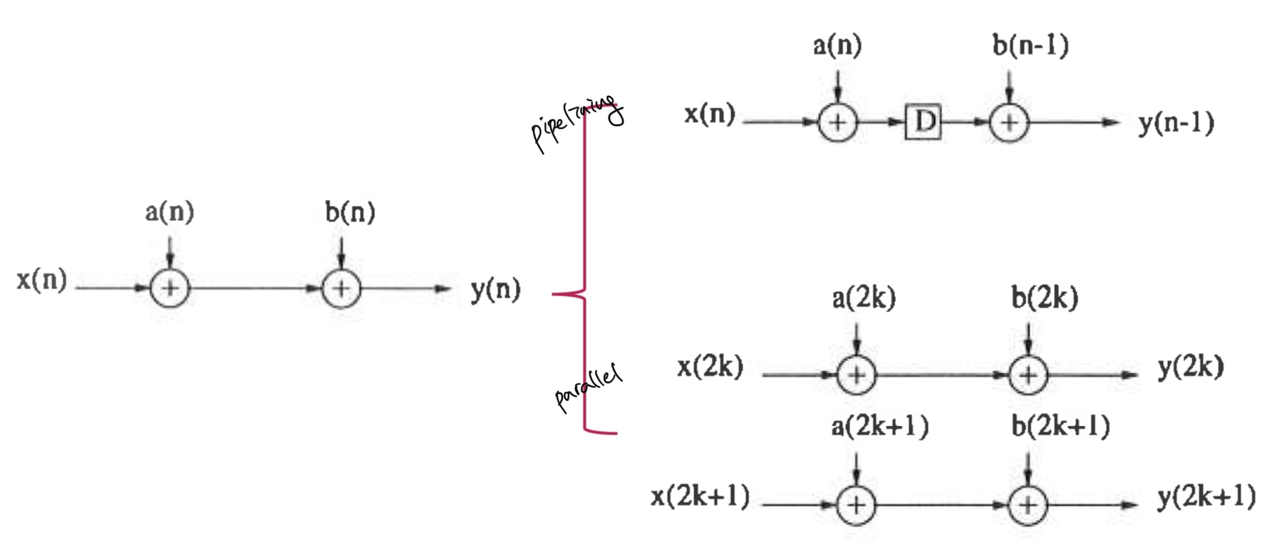
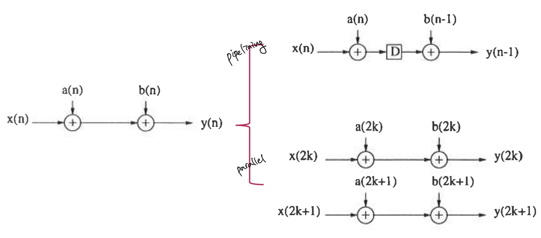
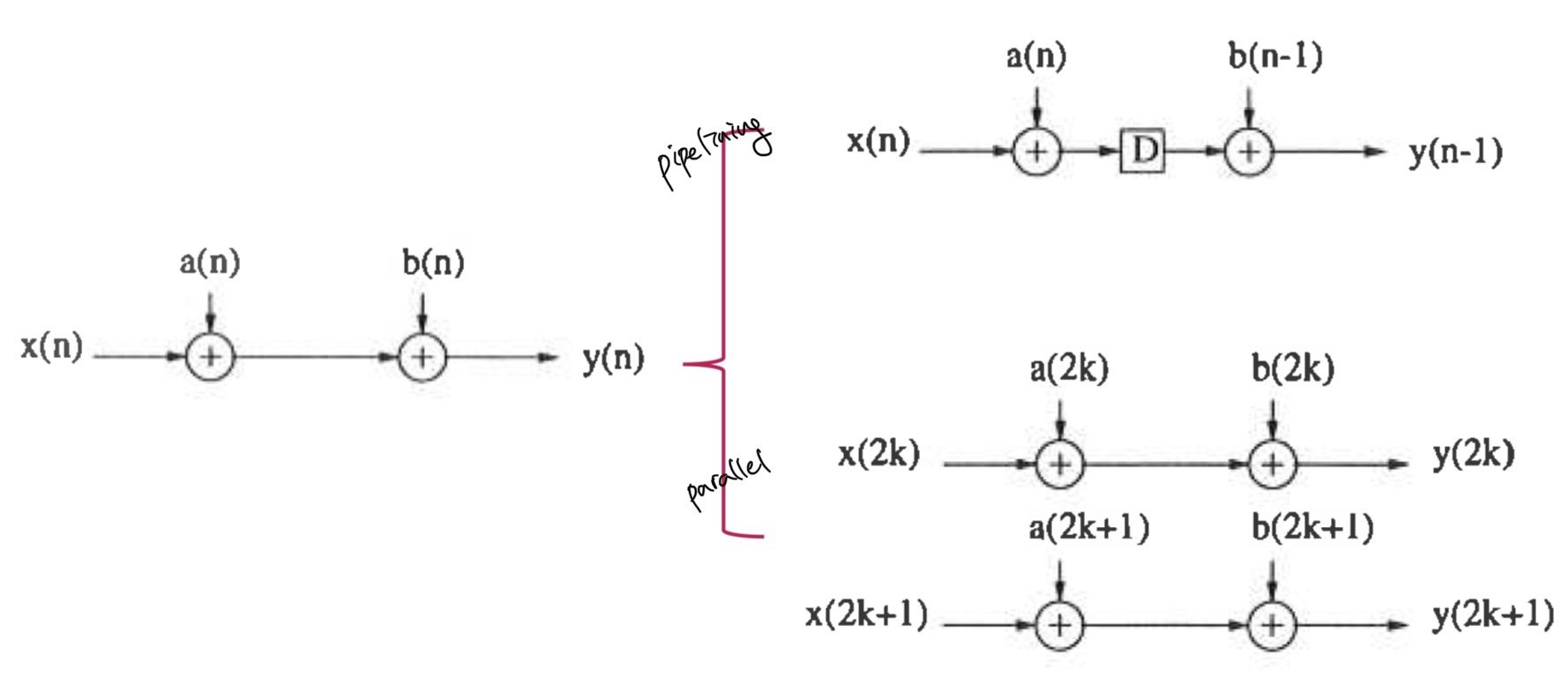
◆ Pipelining and Parallel processing

Pipelining
Strength
- Reduce the effective critipal path (<= sample period를 줄임)
- Reduce the sample period
- Pipe-register를 추가함으로써 동시에 처리하는 stage 갯수를 늘릴 수 있음
Weakness
- Increase the latency
- Increase the hardware cost
- Increase the number of latches
Parallel
Strength
- Reduce total computation time
Weakness
- Increase the cost of hardware doubles
◆ Retiming
strength
- Reduce the clock period
- Reduce the number of registers
- Reduce the power consumption
주어진 DFG의 shortest path를 구함.
shortest path를 구하는 방법은 2가지 (Bellman-Ford, Floyd-Warshall)
Retiming techniques
1. Cutset retiming
2. Clock period minimizing
3. Register minimization
clock period ≥ iteration bound
그래서 retiming을 통해 iteration bound 값을 줄여야 DFG의 clock period를 줄일 수 있음.

◆ Unfolding
- delay(pipe-register) 갯수는 그대로
- throughput은 증가
- loop unrolling 이라고도 함 (loop를 풀어놓음)

delay와 x, y를 어떻게 분배하는 지에 대한 식이 있음.
node U -> V에 w개 delay가 있음
=> Ui -> V(i+w)%J 에 (i+w)/J 개 dely가 있음
◆ Folding
- folding factor N
- N만큼 hardware functional unit 줄임
- 대신 processing time이 증가함.

'Digital Logic > 컴퓨터 구조' 카테고리의 다른 글
| Computer Architecture - Diagram (0) | 2024.10.13 |
|---|---|
| [컴퓨터 구조] 컴퓨팅 플랫폼은 어떻게 숫자를 다루나? (Feat. CPU) (0) | 2021.07.28 |
댓글